Tapatalk-plugin pitäisi toimia taas. Hae tapatalk-sovelluksessa sivuston nimellä "subaru club finland". Jos ongelmia ilmenee, laita ystävällisesti viestiä clubin info sähköpostiin.
Viive sähköissä
Viive sähköissä
Hei, voisiko joku neuvoa kun forresterin tuulilasinpyyhkijät ja radio eivät toimi heti vaan menee aikaa käynnistyksen jälkeen kun ne alkavat toimimaan ja tämä "parantuminen" tapahtuu samanaikaisesti? Forrester -05
Re: Viive sähköissä
Kuinka monta sekuntia siihen menee? Toimiiko ne heti virtojen kytkemisen jälkeen?
my05 WRX
Ex my05 2,5XT Fore(ver)
Ex my98 2,5GX Leka
Ex my05 2,5XT Fore(ver)
Ex my98 2,5GX Leka
Re: Viive sähköissä
Siihen menee jopa muutama minuutti
Re: Viive sähköissä
Virtalukon pohjalta lähtee kuvan mukaan keltainen johto sulakerasialle. Sen perässä on ympyröidyt pyyhkijöiden ja radion sulakkeet. On siinä myös 12v pistorasia ja persgrilli. Niidenkään ei pitäisi pelata. Katso virtakynällä, että tuleeko sulakkeille jännite. Yleismittari saattaa tämmöisessä tapauksessa vaikka näyttääkin kuormittamattomana jännitettä. Jos sulakkeille ei tule, katso virtalukolta.
my05 WRX
Ex my05 2,5XT Fore(ver)
Ex my98 2,5GX Leka
Ex my05 2,5XT Fore(ver)
Ex my98 2,5GX Leka
Re: Viive sähköissä
Kiitos paljon valaisevasta vastauksesta, siis tuo keltainen johto on yhdistävä tekijä radion ja tuulilasinpyyhkimien kuten myös perslämmittimen (tämän tiesin) suhteen, onko nyt niin että vika on virtalukossa? voiko virtalukon pohjaa kuinka tutkia tai voiko siellä olla vaikkapa hapettumaa tms?
-
Subarumaara
- Viestit: 29
- Liittynyt: 23 Kesä 2021, 22:56
Re: Viive sähköissä
No itse tutkisin niin että pistoke irti virtalukon pohjasta,tai lähimmästä liittimestä jos johtosarja on kiinteästi kiinni virtalukossa,ja akusta suoraan virtaa siihen keltaiseen johtoon,jos viive johtuu virtalukosta niin radio,tuulilasinpyyhkimet ja perslämmitin heräävät heti henkiin...arkka kirjoitti: 11 Joulu 2024, 22:55 Kiitos paljon valaisevasta vastauksesta, siis tuo keltainen johto on yhdistävä tekijä radion ja tuulilasinpyyhkimien kuten myös perslämmittimen (tämän tiesin) suhteen, onko nyt niin että vika on virtalukossa? voiko virtalukon pohjaa kuinka tutkia tai voiko siellä olla vaikkapa hapettumaa tms?
Re: Viive sähköissä
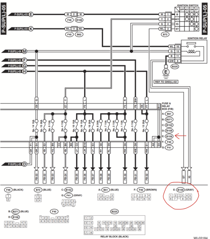
Hei tuolla kuvassa (acc) on hyvin kuinka keltainen johto menee, mikä on tuo E7 juuri ennen sulakkeita, voiko siinä olla vika? En taida kyetä kokeilemaan suoraa virtaa akulta tohon keltaseen johtoon ainakaan näin kun olen reissussa, kiitos hyvistä neuvoista.
Re: Viive sähköissä
Tulin rajanneeksi kuvaa. E viittaa B159-liittimeen, ja sen pinni 7. Tässä koko kuva.
my05 WRX
Ex my05 2,5XT Fore(ver)
Ex my98 2,5GX Leka
Ex my05 2,5XT Fore(ver)
Ex my98 2,5GX Leka
-
Subarumaara
- Viestit: 29
- Liittynyt: 23 Kesä 2021, 22:56
Re: Viive sähköissä
Tuo B159 lähtee virtalukon ST eli käsittääkseni starttiasennon navasta,kysyjä lienee tarkoittanut tuota E7 napaa tuossa keltaisessa johdossa sulakerasiassa mikä lähtee virtalukon ACC navasta?KooHoo kirjoitti: 12 Joulu 2024, 20:28 Tulin rajanneeksi kuvaa. E viittaa B159-liittimeen, ja sen pinni 7. Tässä koko kuva. acc2.png
Re: Viive sähköissä
Viivan alapuolella olevat pinnijärjestys kuvat eivät suoraan liity viivan yläpuolella olevaan piirikaaviokuvaan.Subarumaara kirjoitti:Tuo B159 lähtee virtalukon ST eli käsittääkseni starttiasennon navasta,kysyjä lienee tarkoittanut tuota E7 napaa tuossa keltaisessa johdossa sulakerasiassa mikä lähtee virtalukon ACC navasta?KooHoo kirjoitti: 12 Joulu 2024, 20:28 Tulin rajanneeksi kuvaa. E viittaa B159-liittimeen, ja sen pinni 7. Tässä koko kuva. acc2.png
Siksi siinä on se viiva välissä.
Eli kyllä se on niin kuin KooHoo tarkensi.
Lähetetty minun SM-S918B laitteesta Tapatalkilla
Impreza WRX STI Type-RA MY00
Ex- Impreza TD Exclusive MY09
Ex- Impreza TD Sport MY09
Ex- Impreza TD Exclusive MY09
Ex- Impreza TD Sport MY09
-
Subarumaara
- Viestit: 29
- Liittynyt: 23 Kesä 2021, 22:56
Re: Viive sähköissä
OK,sitten en kyllä osaa tulkita alkuunsakaan tuollaisia kaavioita...Matway kirjoitti: 13 Joulu 2024, 18:01Viivan alapuolella olevat pinnijärjestys kuvat eivät suoraan liity viivan yläpuolella olevaan piirikaaviokuvaan.Subarumaara kirjoitti:Tuo B159 lähtee virtalukon ST eli käsittääkseni starttiasennon navasta,kysyjä lienee tarkoittanut tuota E7 napaa tuossa keltaisessa johdossa sulakerasiassa mikä lähtee virtalukon ACC navasta?KooHoo kirjoitti: 12 Joulu 2024, 20:28 Tulin rajanneeksi kuvaa. E viittaa B159-liittimeen, ja sen pinni 7. Tässä koko kuva. acc2.png
Siksi siinä on se viiva välissä.
Eli kyllä se on niin kuin KooHoo tarkensi.
Lähetetty minun SM-S918B laitteesta Tapatalkilla
Re: Viive sähköissä
Juu sain subaru korjaamolta vinkin että kun nytkyttelee avainta niin alkaa sähköt toimimaan, pitkän kokeilun jälkeen voin sanoa että oikeassa olivat, alkaa pyyhkijät toimimaan ja ratio pauhaa, siis eikö tämä todista että vika on virtalukossa, olisko likainen vai mitä?
Re: Viive sähköissä
Pohjaa syyllistäisin. Huonosti toimiva kärki alkaa jotenkuten toimimaan kun saa liikettä. Taitaa olla niin umpinainen metallimötikkä, ettei likaa pitäisi päästä? Varaosanumeron pitäisi olla 83139FC001. Kuva: https://www.autopurkaamot.com/naytaosa. ... r+sg+2%2C5
my05 WRX
Ex my05 2,5XT Fore(ver)
Ex my98 2,5GX Leka
Ex my05 2,5XT Fore(ver)
Ex my98 2,5GX Leka